电容式液位计(4G型)
产品型号:RS-CYW-4G-DC/DY
4G 型电容式液位计,采用射频导纳液位传感器,可将液位变化转化为4G信号,并上传至我公司免费的云平台或本地平台。产品体积小巧,易于安装,采用不锈钢外壳隔离防腐,适于测量与接触部分材质相兼容的液体介质。 自带显示屏,现场可直接查看数值,也可通过本地按键配置。可存储12万条数据。
产品详情
产品概述
我公司设计的 4G 型电容式液位计,采用射频导纳液位传感器,可将液位变化转化为4G信号,并上传至我公司免费的云平台或本地平台。产品体积小巧,易于安装,采用不锈钢外壳隔离防腐,适于测量与接触部分材质相兼容的液体介质。
电池型设备采用低功耗设计,默认上传间隔以及采集间隔情况下搭配大容量电池可使用长达 5 年。设备自带存储,设备在离线情况下自动存储数据,防止数据丢失。设备带显示可显示当前液位数据以及当前量程的液位水平。使用 USB 连接手机 APP 配置参数,方便快捷。适用于如野外、供电不便、或者传统液位表智能化升级的需求。
可广泛应用于汽油、柴油、液压油的油位测量以及其他弱腐蚀性液体的液位测量,帮助用户实现智能化监控,提升操作效率和产品质量。
功能特点
4G 上传至我公司免费的云平台或本地平台,赠送流量可免费使用三年。
自带显示屏,现场可直接查看数值,也可通过本地按键配置。
设备带数据存储,离线自动存储数据,最多可存储 12万 条。
压铸合金铝外壳,表面环氧喷涂,密封设计。
可通过手机 APP 查看、配置参数,方便快捷。
技术参数
| 输出信号 | 4G |
| 测量精度 | I级 |
| 量程 | 默认0.3m,其他长度定制 |
| 产品功率(电源型) | 最大功率0.85W |
| 续航时间(电池型) | 平均电流≤60mA;休眠电流≤120μA 默认3年寿命电池,可更换5年寿命电池(默认参数) |
| 采集间隔 | 电池型:1min/2min/5min(默认)/10min/15min /30min/60min/120min/240min/360min/720min/1440min 电源型:1s/2s/5s(默认)/10s/15s/30s/60s/120s /240s/360s/720s/1440s |
| 上传间隔 | 电池型:2min/5min/10min/15min/30min/ 60min(默认)/120min/240min/360min/720min/1440min 电源型:2s/5s/10s/15s/30s(默认)/60s/120s /240s/360s/720s/1440s |
| 变送器电路工作温湿度 | -20℃~+70℃,0%RH~95%RH(非结露) |
| 传感器工作温度 | -20℃~+80℃ |
| 安装方式 | 垂直安装 |
| 测量介质 | 对不锈钢无腐蚀的油或水 |
| 防护等级 | 防爆壳部分IP67;探头部分IP68 |
产品选型
| RS- | 公司代号 | |||||
| CYW- | 电容式液位 | |||||
| 4G- | 4G上传 | |||||
| DC- | 电池供电 | |||||
| DY- | 电源供电 | |||||
| 2- | 外壳 | |||||
| 30 | 量程30cm | |||||
| 999 | 定制量程 | |||||
系统框架图

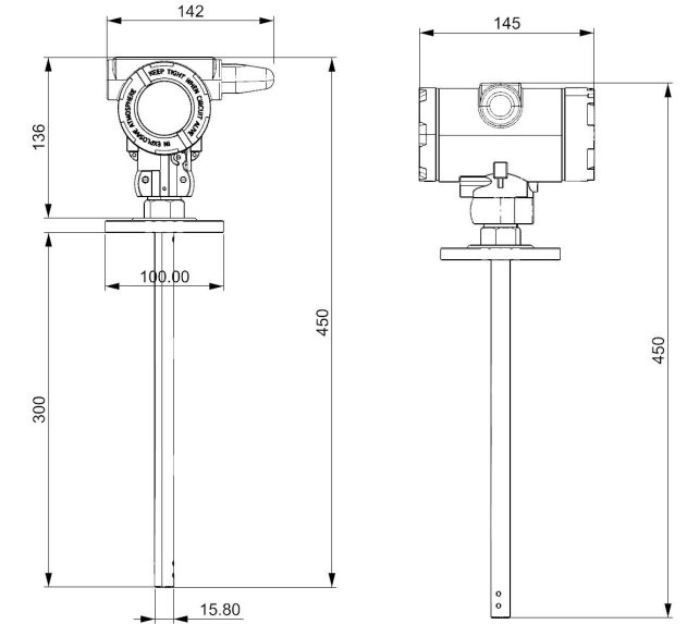
尺寸说明
单位:mm

安装说明
支持“螺纹安装(M20*1.5)、法兰安装”两种方式
安装于“金属、非金属罐体”的顶部/侧面/底部,安装时需与罐体安装面保持水平,以保证对罐体内水位的正常测量。
竖向安装时,设备应避免安装于罐体边缘位置,防止罐体倾斜导致的测量偏差。

接口说明
1、电池型:安装前打开后端盖,接好对插头,给设备供电。

2、电源型:设备安装在指定位置后,需将两芯线接到10-30V直流电源上,接线如下。





